Daikin FXSQ15 – Orta Statik Basınçlı Gizli Tavan Tipi VRV
Ürün Açıklaması
- Soğutma Kapasitesi: 1,70 kW
- Isıtma Kapasitesi: 1,90 kW
Sınıfının en ince ünitesidir; sadece 245mm (300mm kurulum yüksekliği) ile dar tavan boşluklarına rahatça monte edilebilir
Çok sessiz çalışma: 25dBA'ya kadar düşen ses basıncı seviyesi
150Pa'ya kadar orta seviyedeki cihaz dışı statik basınç, farklı
uzunluklardaki esnek kanalların kullanılabilmesini sağlar
Kablolu kumandayla ESP değiştirebilme imkanı, hava debisinin optimizasyonunu sağlar
Duvara dikkat çekmeyecek şekilde monte edilebilir: dışarıdan yalnızca emiş ve deşarj ızgaraları görülebilir
Örneğin otel odaları, küçük ofisler vs. gibi küçük veya iyi yalıtılan odalar için özel olarak geliştirilen 15 sınıfı ünite
Çoklu bölge kiti bir iç ünitenin birden fazla sayıda, bağımsız olarak kontrol edilen klima bölgesine hizmet vermesine imkan tanır
Opsiyonel taze hava girişi
Esnek kurulum: hava emme yönü arkadan emme yerine aşağıdan emme şeklinde değiştirilebilir ve serbest kullanım ile opsiyonel emme ızgarasına bağlantı arasında seçim imkanı bulunur
Teknik Özellikler
İç ünite FXSQ 15A |
20A |
25A |
32A |
40A |
50A |
63A |
80A |
100A |
125A |
140A |
|||
Soğutma kapasitesi Toplam kapasite Yüksek fan devrinde kW |
1,70 |
2,20 |
2,80 |
3,60 |
4,50 |
5,60 |
7,10 |
9,00 |
11,20 |
14,00 |
16,00 |
||
Isıtma kapasitesi Toplam kapasite Yüksek fan devrinde kW |
1,90 |
2,50 |
3,20 |
4,00 |
5,00 |
6,30 |
8,00 |
10,0 |
12,5 |
16,0 |
18,0 |
||
Çekilen güç – 50 Hz |
Soğutma Yüksek fan devrinde kW |
0,090 |
0,096 |
0,151 |
0,154 |
0,188 |
0,213 |
0,290 |
0,331 |
0,386 |
|||
Isıtma Yüksek fan devrinde kW |
0,086 |
0,092 |
0,147 |
0,150 |
0,183 |
0,209 |
0,285 |
0,326 |
0,382 |
||||
Boyutlar Birim YükseklikxGenişlikxDerinlik mm |
245x550x800 |
245x700x800 |
245×1.000×800 |
245×1.400×800 |
245×1.550×800 |
||||||||
Ağırlık Birim kg |
23,5 |
24,0 |
28,5 |
29,0 |
35,5 |
36,5 |
46,0 |
47,0 |
51,0 |
||||
Gövde Malzeme |
Galvanizli çelik levha |
||||||||||||
Fan |
Hava akış hızı – 50 Hz |
Soğutma Yüksek / Orta / Düşük m³/dak |
8,7 / 7,50 / 6,5 |
9,0 / 7,50 / 6,5 |
9,5 / 8,00 / 7,0 |
15,0 / 12,5 / 11,0 |
15,2 / 12,5 / 11,0 |
21,0 / 18,0 / 15,0 |
23,0 / 19,5 / 16,0 |
32,0 / 27,0 / 23,0 |
36,0 / 31,5 / 26,0 |
39,0 / 34,0 / 28,0 |
|
Isıtma Yüksek / Orta / Düşük m³/dak |
8,7 / 7,5 / 6,5 |
9,0 / 7,5 / 6,5 |
9,5 / 8,0 / 7,0 |
15,0 / 12,5 / 11,0 |
15,2 / 12,5 / 11,0 |
21,0 / 18,0 / 15,0 |
23,0 / 19,5 / 16,0 |
32,0 / 27,0 / 23,0 |
36,0 / 31,5 / 26,0 |
39,0 / 34,0 / 28,0 |
|||
Cihaz dışı statik Fabrika ayarı / Yüksek Pa basınç – 50 Hz |
30 / 150 |
40 / 150 |
50 / 150 |
||||||||||
Hava filtresi Tipi |
Reçine ağ |
||||||||||||
Ses gücü seviyesi Soğutma Yüksek fan devrinde dBA |
54 |
55 |
60 |
59 |
61 |
64 |
|||||||
Ses basıncı seviyesi |
Soğutma Yüksek / Orta / Düşük dBA |
29,5 / 28,0 / 25,0 |
30,0 / 28,0 / 25,0 |
31,0 / 29,0 / 26,0 |
35,0 / 32,0 / 29,0 |
33,0 / 30,0 / 27,0 |
35,0 / 32,0 / 29,0 |
36,0 / 34,0 / 31,0 |
39,0 / 36,0 / 33,0 |
41,5 / 38,0 / 34,0 |
|||
Isıtma Yüksek / Orta / Düşük dBA |
31,5 / 29,0 / 26,0 |
32,0 / 29,0 / 26,0 |
33,0 / 30,0 / 27,0 |
37,0 / 34,0 / 29,0 |
35,0 / 32,0 / 28,0 |
37,0 / 34,0 / 30,0 |
37,0 / 34,0 / 31,0 |
40,0 / 37,0 / 33,0 |
42,0 / 38,5 / 34,0 |
||||
Soğutucu akışkan Tipi/GWP |
R-410A/2.087,5 |
||||||||||||
Boru bağlantıları |
Sıvı DÇ mm |
6,35 |
9,52 |
||||||||||
Gaz DÇ mm |
12,7 |
15,9 |
|||||||||||
Drenaj |
VP20 (İÇ 20/DÇ 26), drenaj yüksekliği 625 mm |
||||||||||||
Güç beslemesi Faz/Frekans/Gerilim Hz/V |
1~/50/60/220-240/220 |
||||||||||||
Akım – 50 Hz Maksimum sigorta amperi (MFA) A |
16 |
||||||||||||
Kontrol sistemleri |
Uzaktan kumanda |
BRC4C65 |
|||||||||||
Kablolu kumanda |
BRC1H52W/S/K / BRC1E53A / BRC1E53B / BRC1E53C / BRC1D52 |
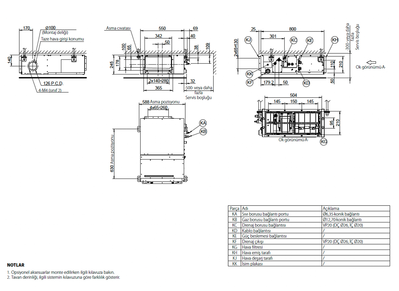
Teknik Çizimler
