Daikin VAM250 – Isı Geri Kazanımlı Taze Hava Ünitesi
Ürün Açıklaması
Daikin tarafından temin edilen hem Modular L Smart hem de elektrikli ısıtıcılar sayesinde eksiksiz taze hava çözümü
Isıtılan dış ortam havası sayesinde düşük dış ortam sıcaklıklarında daha yüksek konfor
Entegre elektrikli ısıtıcı kavramı (ilave aksesuarlara gerek yoktur)
Standart çift akış ve sıcaklık sensörü
Isıtıcı sadece istenen minimum taze hava sıcaklığına önceden ısıtma için gerektiği kadar enerjiyi tüketir, böylece enerji tasarrufu sağlar
Teknik Özellikler
Havalandırma VAM/VAM |
150FC9 |
250FC9 |
350J |
500J |
650J |
800J |
1000J |
1500J |
2000J |
||
Çekilen güç – 50 Hz |
Isı Nom. Ultra yüksek/ kW dönüştürme Yüksek/Düşük modu |
0,132/0,111/ 0,058 |
0,161/0,079/ 0,064 |
0,097 /0,070 / 0,039 |
0,164 /0,113 / 0,054 |
0,247 /0,173 / 0,081 |
0,303 /0,212 / 0,103 |
0,416 /0,307 / 0,137 |
0,548 /0,384 / 0,191 |
0,833 /0,614 / 0,273 |
|
Bypass Nom. Ultra yüksek/ kW modu Yüksek/Düşük |
0,132/0,111/ 0,058 |
0,161/0,079/ 0,064 |
0,085 /0,061 / 0,031 |
0,148 /0,100 / 0,045 |
0,195 /0,131 / 0,059 |
0,289 /0,194 / 0,086 |
0,417 /0,300 / 0,119 |
0,525 /0,350 / 0,156 |
0,835 /0,600 / 0,239 |
||
Sıcaklık transfer Ultra yüksek/Yüksek/Düşük % verimliliği – 50 Hz |
77,0(1)/72,0(2)/ 78,3(1)/72,3(2)/ 82,8(1)/73,2(2) |
74,9(1)/69,5(2)/ 76,0(1)/70,0(2)/ 80,1(1)/72,0(2) |
85,1 /86,7 / 90,1 |
80,0 /82,5 / 87,6 |
84,3 /86,4 / 90,5 |
82,5 /84,2 / 87,7 |
79,6 /81,8 / 86,1 |
83,2 /84,8 / 88,1 |
79,6 /81,8 / 86,1 |
||
Entalpi transfer verimliliği – 50 Hz |
Soğutma Ultra yüksek/Yüksek/Düşük % |
60,3 (1)/61,9 (1)/ 67,3 (1) |
60,3 (1)/61,2 (1)/ 64,5 (1) |
65,2 /67,9/ 74,6 |
59,2 /61,8 / 69,5 |
59,2 /63,8 / 73,1 |
67,7 /70,7 / 76,8 |
62,6 /66,4 / 74,0 |
68,9 /71,8 / 77,5 |
62,6 /66,4 / 74,0 |
|
Isıtma Ultra yüksek/Yüksek/Düşük % |
66,6 (1)/67,9 (1)/ 72,4 (1) |
66,6 (1)/67,4 (1)/ 70,7 (1) |
75,5 /77,6 / 82,0 |
69,0 /72,2 / 78,7 |
73,1 /76,3 / 82,7 |
72,8 /75,3 / 80,2 |
68,6 /71,7 / 77,9 |
73,8 /76,1 / 80,8 |
68,6 /71,7 / 77,9 |
||
Çalışma modu |
Isı eşanjörü modu, bypass modu, tazeleme modu |
||||||||||
Isı dönüştürme sistemi |
Düz – çapraz akışlı toplam ısı (hissedilebilir + gizli ısı) değişimi |
||||||||||
Isı dönüştürme elemanı |
Özel olarak işlenen alev almaz kağıt |
||||||||||
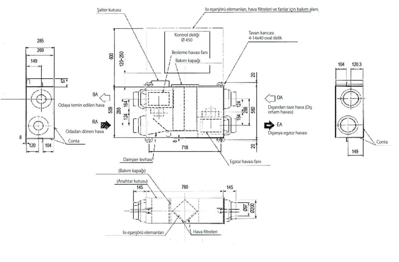
Boyutlar Birim YükseklikxGenişlikxDerinlik mm |
285x776x525 |
301×1.113×886 |
368×1.354×920 |
368×1.354×1.172 |
731×1.354×1.172 |
||||||
Ağırlık Birim kg |
24,0 |
46,5 |
61,5 |
79,0 |
157 |
||||||
Gövde Malzeme |
Galvanizli çelik levha |
||||||||||
Fan |
Hava akış hızı – 50 Hz |
Isı Ultra yüksek/ m³/sa dönüştürme Yüksek/Düşük modu |
150 /140 /105 |
250 /230 /155 |
350 (1)/ 300 (1)/ 200 (1) |
500 (1)/ 425 (1)/ 275 (1) |
650 (1)/ 550 (1)/ 350 (1) |
800 (1)/ 680 (1)/ 440 (1) |
1.000 (1)/ 850 (1)/ 550 (1) |
1.500 (1)/ 1.275 (1)/ 825 (1) |
2.000 (1)/ 1.700 (1)/ 1.100 (1) |
Bypass Ultra yüksek/ m³/sa modu Yüksek/Düşük |
150 /140 /105 |
250 /230 /155 |
350 (1)/ 300 (1)/ 200 (1) |
500 (1)/ 425 (1)/ 275 (1) |
650 (1)/ 550 (1)/ 350 (1) |
800 (1)/ 680 (1)/ 440 (1) |
1.000 (1)/ 850 (1)/ 550 (1) |
1.500 (1)/ 1.275 (1)/ 825 (1) |
2.000 (1)/ 1.700 (1)/ 1.100 (1) |
||
Cihaz dışı statik Ultra yüksek/Yüksek/Düşük Pa basınç – 50 Hz |
90 /87/40 |
70 /63/25 |
90 (1)/70,0 /50,0 (1) |
||||||||
Hava filtresi Tipi |
Çok yönlü fiber kumaş |
Çok yönlü fiber kumaş (G3) |
|||||||||
Ses basıncı seviyesi – 50 Hz |
Isı Ultra yüksek/Yüksek/Düşük dBA dönüştürme modu |
27,0 /26,0 /20,5 |
28,0 /26,0 /21,0 |
34,5 (1)/ 32,0 (1)/ 29,0 (1) |
37,5 (1)/ 35,0 (1)/ 30,5 (1) |
39,0 (1)/ 36,0 (1)/ 31,0 (1) |
39,0 (1)/ 36,0 (1)/ 30,5 (1) |
42,0 (1)/ 38,5 (1)/ 32,5 (1) |
42,0 (1)/ 39,0 (1)/ 33,5 (1) |
45,0 (1)/ 41,5 (1)/ 36,0 (1) |
|
Bypass Ultra yüksek/Yüksek/Düşük dBA modu |
27,0 /26,5 /20,5 |
28,0 /27,0 /21,0 |
34,5 (1)/ 32,0 (1)/ 28,0 (1) |
38,0 (1)/ 35,0 (1)/ 29,5 (1) |
38,0 (1)/ 34,5 (1)/ 30,5 (1) |
40,0 (1)/ 36,5 (1)/ 30,5 (1) |
42,5 (1)/ 40,0 (1)/ 32,5 (1) |
42,0 (1)/ 39,0 (1)/ 32,5 (1) |
45,0 (1)/ 41,0 (1)/ 35,0 (1) |
||
Çalışma sıcaklık aralığı Çevre ünite °C KT |
– |
0°C~40°C KT, %80 RH ve altı |
|||||||||
Bağlantı kanalı çapı mm |
100 |
150 |
200 |
250 |
2×250 |
||||||
Güç beslemesi Faz/Frekans/Gerilim Hz/V |
1~ ; 50/60 ; 220-240/220 |
||||||||||
Akım Maksimum sigorta amperi (MFA) A |
15,0 |
16,0 |
|||||||||
Özgül enerji tüketimi (SEC) |
Soğuk iklim kWh/(m².a) |
-56,0 (5) |
-60,5 (5) |
– |
|||||||
Ortalama iklim kWh/(m².a) |
-22,1 (5) |
-27,0 (5) |
– |
||||||||
Ilıman iklim kWh/(m².a) |
-0,100 (5) |
-5,30 (5) |
– |
||||||||
SEC sınıfı |
D / Not 5’e bakın |
B / Not 5’e bakın |
– |
||||||||
100 Pa ESP’de maksimum debi |
Debi m³/sa |
130 |
207 |
– |
|||||||
Elektrik gücü girişi W |
129 |
160 |
– |
||||||||
Ses gücü seviyesi (Lwa) dB |
40 |
43 |
51 |
54 |
58 |
61 |
62 |
65 |
|||
Yıllık elektrik tüketimi kWs/yıl |
18,9 (5) |
13,6 (5) |
– |
||||||||
Yıllık ısıtma tasarrufu |
Soğuk iklim kWs/yıl |
41,0 (5) |
40,6 (5) |
– |
|||||||
Ortalama iklim kWs/yıl |
80,2 (5) |
79,4 (5) |
– |
||||||||
Ilıman iklim kWs/yıl |
18,5 (5) |
18,4 (5) |
– |
Teknik Çizimler
