Daikin HXHD125 – Hydrobox İç Ünite VRV
Ürün Açıklaması
- Isıtma Kapasitesi: 14,0 kW
Yerden ısıtma, klima santralleri, düşük sıcaklıklı radyatörler, … gibi uygulamalar için VRV'ye havadan suya bağlantı
Elektrikli ısıtıcı olmadan 5 ila 45°C arasında çıkış suyu sıcaklığı
Sıcak/soğuk su üretimi için, -20 ila +43°C dış ortam sıcaklıklarında çok geniş çalışma sıcaklık aralığı
Su tarafı bileşenlerinin tamamı, çıkış suyu sıcaklığının doğrudan kontrolüyle tam entegre olduğundan, sistem tasarımından zaman tasarrufu sağlar
Yerden tasarruf sağlayan modern duvar tipi tasarım ʯ Gaz bağlantısı veya yağ deposu gerektirmez
Isı geri kazanımlı veya ısı pompası tipi VRV IV'e bağlanabilir
Teknik Özellikler
İç Ünite |
HXY |
080A8 |
125A8 |
||
Soğutma kapasitesi Nom. |
kW |
8,0 (1) |
12,5 (1) |
||
Isıtma kapasitesi Nom. |
kW |
9,00 (2) |
14,00 (2) |
||
Boyutlar Birim Yükseklik x Genişlik x Derinlik |
mm |
890 x 480 x 344 |
|||
Ağırlık Birim |
kg |
44 |
|||
Gövde |
Renk |
Beyaz |
|||
Malzeme |
Ön kaplamalı metal levha |
||||
Çalışma sıcaklık aralığı |
Soğutma |
Ortam sıcaklığı Min. ~ Maks. |
°C KT |
10 ~ 43 |
|
Su tarafı Min. ~ Maks. |
°C |
5 ~ 20 |
|||
Isıtma |
Ortam sıcaklığı Min. ~ Maks. |
°C |
-20 ~ 24 |
||
Su tarafı Min. ~ Maks. |
°C |
25 ~ 45 |
|||
Soğutucu akışkan |
Tipi |
R-410A |
|||
GWP |
2.087,5 |
||||
Soğutucu akışkan devresi |
Gaz tarafı çapı |
mm |
15,9 |
||
Sıvı tarafı çapı |
mm |
9,5 |
|||
Su devresi Boru bağlantılarının çapı |
inç |
G 1″1/4 (dişi) |
|||
Güç beslemesi Faz / Frekans / Gerilim |
Hz/V |
1~ / 50 / 220-240 |
|||
Akım Önerilen sigortalar |
A |
6~16 |
İç Ünite |
|
HXHD |
125A |
200A |
|
Isıtma kapasitesi |
Nom. |
kW |
14,0 |
22,4 |
|
Boyutlar |
Birim Yükseklik x Genişlik x Derinlik |
mm |
705 x 600 x 695 |
||
Ağırlık |
Birim |
kg |
92,0 |
147 |
|
Gövde |
Renk |
Metalik gri |
|||
Malzeme |
Ön kaplamalı metal levha |
||||
Ses gücü seviyesi |
Nom. |
dBA |
55,0 (2) |
60,0 (2) |
|
Ses basıncı seviyesi |
Nom. |
dBA |
42,0 (2) / 43,0 (3) |
46,0 (2) / 46,0 |
|
Gece sessiz Seviye 1 modu |
dBA |
38 (2) |
45 (2) |
||
Çalışma sıcaklık aralığı |
Isıtma |
Ortam sıcaklığı Min. ~ Maks. |
°C |
-20,0 ~ 20 / 24 (1) |
|
Su tarafı Min. ~ Maks. |
°C |
25 ~ 80,0 |
|||
Kullanım sıcak suyu |
Ortam sıcaklığı Min. ~ Maks. |
°C KT |
-20,0 ~ 43,0 |
||
Su tarafı Min. ~ Maks. |
°C |
45 ~ 75 |
|||
Soğutucu akışkan |
Tipi |
R-134a |
|||
GWP |
1.430 |
||||
Şarj |
kg |
2,00 |
2,60 |
||
Su devresi |
Boru bağlantılarının çapı |
inç |
G 1″ (dişi) |
||
Isıtma suyu Su hacmi Maks. ~ Min. sistemi |
l |
200 ~ 20 |
400 ~ 20 |
||
Güç beslemesi |
Faz / Frekans / Gerilim |
Hz/V |
1~ / 50 / 220-240 |
3~ / 50 / 380-415 |
|
Akım |
Önerilen sigortalar |
A |
20 |
16 |
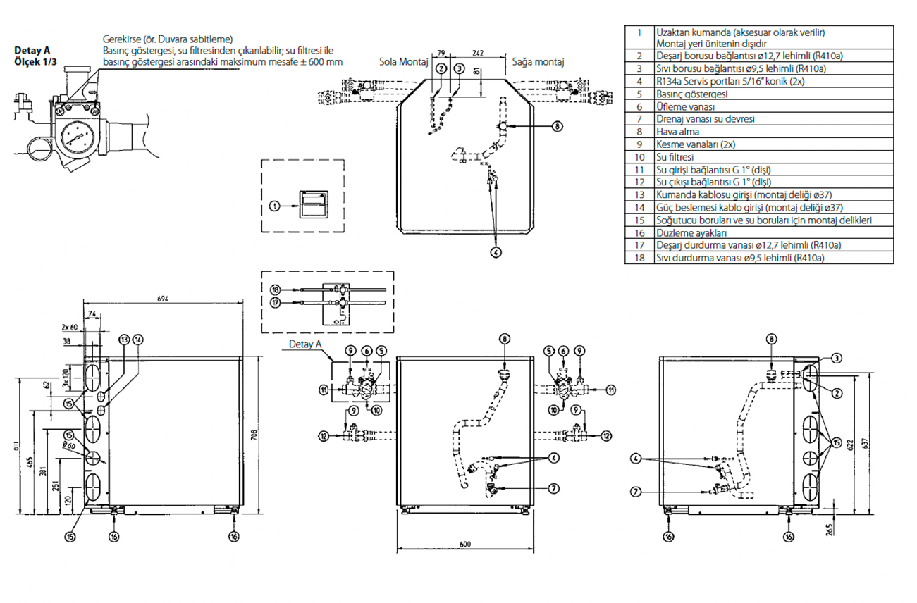
Teknik Çizimler
